Каталог
Каталог Написать в WhatsApp
Мотоэкипировка

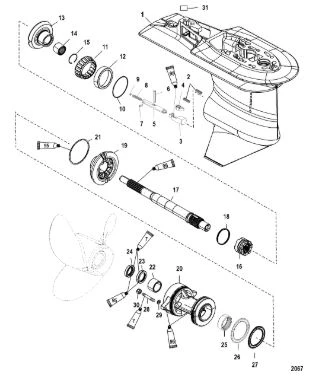
Корпус шестерни, карданный вал(2.07:1 передаточное число) 4-Х ТАКТНОГО ПЛМ MERCURY 115 Серийный номер от 1B227000 до 1B366822

Корпус шестерни, карданный вал(2.07:1 передаточное число) 4-Х ТАКТНОГО ПЛМ MERCURY 115 Серийный номер от 1B227000 до 1B366822 в Архангельске: актуальный каталог, цены, фото, описание. Купите корпус шестерни, карданный вал(2.07:1 передаточное число) 4-х тактного плм mercury 115 серийный номер от 1b227000 до 1b366822 в кредит – оформите заявку онлайн за 1 минуту!

Оригинальные запчасти

Артикул НАИМЕНОВАНИЕ Кол-во деталей в узле Примечание Наличие Цена Аналоги Фото
1 888845T01 GEAR HOUSING ASSEMBLY, Complete (4.25 Inch/107.95MM Torpedo Diameter) (COMPLETE)

Под заказ

1

Под заказ

уточнить

Купить
2 888845T02 GEAR HOUSING ASSEMBLY, Complete (4.25 Inch/107.95MM Torpedo Diameter) (COMPLETE)

Под заказ

1

Под заказ

уточнить

Купить
3 888845T Корпус редуктора (GEAR HSG BASIC)

Под заказ

1

Под заказ

уточнить

Купить
4 8227731 Вставка (INSERT)

Под заказ

2

Под заказ

уточнить

Купить
5 888807 Копир кулачка (FOLLOWER-CAM)

Под заказ

1

Под заказ

уточнить

Купить
6 8M4504018 Кулачок (CAM-SHIFT)

Под заказ

1

Под заказ

уточнить

Купить
7 888806 Шток привода (ROD, Clutch Actuator)

Под заказ

1

Под заказ

уточнить

Купить
8 8M0084243 Шпонка (PIN - CROSS)

Под заказ

1

Под заказ

уточнить

Купить
9 8M0084245 PIN - LOCATOR

Под заказ

1

Под заказ

уточнить

Купить
10 79910 Пружина (SPRING, COMPRESSION)

Под заказ

1

Под заказ

уточнить

Купить
11 78910 Шайба (WASHER, COMPRESSION SPRING)

Под заказ

1

Под заказ

уточнить

Купить
12 44491A1 Регулировочные кольца (shim set)

Под заказ

1

Под заказ

уточнить

Купить
13 30894A1 Роликовый подшипник (BEARING SET)

Под заказ

1

Под заказ

уточнить

Купить
14 881260A3 Шестерня переднего хода (GEAR KIT-FORWARD)

Под заказ

1

Под заказ

уточнить

Купить
15 30895T Подшипник (BEARING)

Под заказ

1

Под заказ

уточнить

Купить
16 856823 Кольцо (RING, Retaining)

Под заказ

1

Под заказ

уточнить

Купить
17 888805T CLUTCH

Под заказ

1

Под заказ

уточнить

Купить
18 8M0140444 Гребной вал (PROP SHAFT)

Под заказ

1

Под заказ

уточнить

Купить
19 30893 Пружина (SPRING @2)

Под заказ

1

Под заказ

уточнить

Купить
20 889991T Шестерня заднего хода (GEAR-REVERSE)

Под заказ

1

Под заказ

уточнить

Купить
21 12596T2 Корпус подшипника (CARRIER ASSY-BRG)

Под заказ

1

Под заказ

уточнить

Купить
22 861844 Уплотнительное кольцо (O RING)

Под заказ

1

Под заказ

уточнить

Купить
23 30956T Подшипник (BEARING)

Под заказ

1

Под заказ

уточнить

Купить
24 70080 Сальник (SEAL)

Под заказ

1

Под заказ

уточнить

Купить
25 70081 Сальник (SEAL)

Под заказ

1

Под заказ

уточнить

Купить
26 12578T Подшипник роликовый (BEARING)

Под заказ

1

Под заказ

уточнить

Купить
27 12577 Шайба (WASHER)

Под заказ

1

Под заказ

уточнить

Купить
28 12576 Шарикоподшипник (BEARING)

Под заказ

1

Под заказ

уточнить

Купить
29 8M0034456 Шпилька M8x1.25x48 (STUD)

Под заказ

2

Под заказ

уточнить

Купить
30 855941 Шайба (WASHER)

Под заказ

2

Под заказ

уточнить

Купить
31 401378 NUT, (M8)

Под заказ

2

Под заказ

уточнить

Купить
32 43035A4 Набор сальников (SEAL KIT)

Под заказ

1

Под заказ

уточнить

Купить
33 803496T2 Подшипники (SEAL AND BEARING KIT W/O Fwd Bearing)

Под заказ

1

Под заказ

уточнить

Купить
34 888805A00 *Металлическая втулка переключения передач

Под заказ

1

Под заказ

уточнить

Купить

Нулевая цена не означает отсутствие товара. Оформите заказ, и менеджер сообщит вам цену и наличие товара, предварительно запросив их у поставщика

Главная Магазины
Корзина0
Профиль